賀德克RKM系列回油-吸油組合過濾器
- 品牌:FeiFLTER(菲利特)
- 型號:RKM MM 300 B T F 10 A 0 . X / 12-NR
- 材質:AL/鋼/合成材料
- 過濾精度:10、15微米
- 單臺流量:100-800L/min
- 公稱壓力:1.0Mpa
- 應用領域:廣泛用于冶金、化工、石油、機械加工設備
賀德克RKM系列回油-吸油組合過濾器 (一)簡介 1、應用介紹: RKM回油和吸油組合過濾器是專門為行走機械行業開發的產品,適用于同時有開式和閉式回路的液壓系統。 2、優點: 全流量
-
成交量:0 好評率:5星
-
產品描述
Product description
1、應用介紹:
RKM回油和吸油組合過濾器是專門為行走機械行業開發的產品,適用于同時有開式和閉式回路的液壓系統。
2、優點:
全流量過濾過濾精度,10µ?、15µ?,能有效延長設備元件的使用壽命。具有良好的冷啟動性能,特別設計的RK濾芯技術和互相匹備的旁通閥、背壓閥使系統良好的運用于低溫狀態
3、材料:
AL/鋼/合成材料
4、安裝:
油箱頂部安裝
5、過濾器結構:
該過濾器是由上蓋、筒體、蓋板、濾芯等組成。筒體內帶有旁通閥、背壓閥和吸油閥。
(二)特征
•RKM是開環回流和閉環吸入的組合增壓過濾器位于一個殼體中。
•工作液壓裝置的回流管流被輸送至通過端口A(入口)進行過濾,并由濾芯(全流量)進行清潔回流管過濾)。壓力(標準=7psi)由背壓閥V1。這確保過濾、預充電回流管流量可通過端口B(全流量吸入增壓過濾)。多余的液體通過至油箱的背壓閥(端口T)。
•裝有旁通閥V2(標準=36 psi)用于泄壓濾芯中的背壓過大(對于冷啟動很重要)。來自油箱的流量可通過防氣蝕閥引至吸入側短時(緊急功能)。
•回流管的全流精濾(10µm,15µm值)和靜液壓給水泵,延長您的使用壽命組件。
•由于通過背部預充電,具有出色的冷啟動特性壓力閥(標準=7 psi)。
•由于先進的RKM元件技術開發了旁通閥,背壓低可即使在非常低的溫度下也能通過過濾器。
•一個油箱開孔,多6條吸入管和3條回流管。
•鋁合金耐水-無需陽極氧化水基流體(HWBF)。
(三)液壓符號

(四)型號說明

(五)堵塞發訊器位置介紹

(六)過濾器切面展示圖

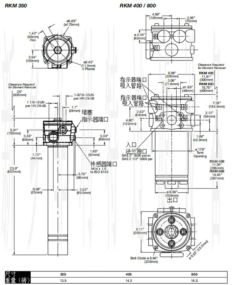
(七)過濾器尺寸展示圖



(八)過濾器曲線圖

關鍵詞TAG: 取水 過濾設備 吸式自清洗過濾器 保安過濾器 暖氣 真空泵專用分離器 FXQ-300 PUY Style
2643127547