自封式磁性吸油過濾器
- 品牌:FeiFLTER(菲利特)
- 型號:CFFA系列過濾器
- 材質:鋁/鋁-碳鋼
- 過濾精度:80-180μm
- 單臺流量:120-630L/min
- 公稱壓力:
- 應用領域:廣泛用于冶金、化工、石油、機械加工設備
產品摘要:
自封式磁性吸油過濾器 WITH CHECK VALVE MAGNETIC SUCTION FILTER SERIES (一 )、簡介 該系列過濾器具有手動自封閥,在更換濾芯時,應關閉自封閥,使油箱中的油液不會流出,安裝時過濾器應浸入
自封式磁性吸油過濾器 WITH CHECK VALVE MAGNETIC SUCTION FILTER SERIES (一 )、簡介 該系列過濾器具有手動自封閥,在更換濾芯時,應關閉自封閥,使油箱中的油液不會流出,安裝時過濾器應浸入
-
成交量:0 好評率:5星
-
產品描述
Product description
自封式磁性吸油過濾器
WITH CHECK VALVE MAGNETIC SUCTION FILTER SERIES(一)、簡介
該系列過濾器具有手動自封閥,在更換濾芯時,應關閉自封閥,使油箱中的油液不會流出,安裝時過濾器應浸入油面以下,若自封閥沒有完全打開,切勿起動泵,否則會引起泵的吸空現象。
該過濾器設有濾芯污染堵塞發訊器,當濾芯被污染物堵塞到出油口真空度為0.018MPa時發訊器便發出訊號,應及時更換或清洗濾芯,以免泵出現吸空等故障。
1.安裝示意圖


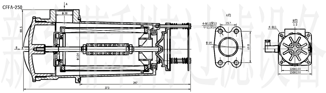
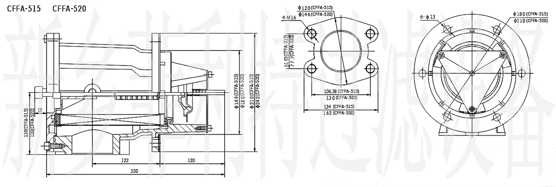
2.連接尺寸




(二)、CFF系列自封式磁性吸油過濾器
1.技術參數

2.連接尺寸



(三)、ZL12-122自封式磁性吸油過濾器
1.技術參數

2.連接尺寸

3.濾芯壓差流量曲線
濾芯ZL12X-*/* 4.安裝示意圖

上一篇:ISV系列管路吸油過濾器 ?????
下一篇:XNJ系列箱內吸油過濾器(新型)
2643127547